| DRSA 500 Wheel Block System for Heavy Handling Equipment
| Want to know more about DRSA 500 Wheel Block System for Heavy Handling Equipment?
The high performance DRSA 500 wheel block features modular design and is constructed from high strength materials. Specially engineered for heavy duty material handling.
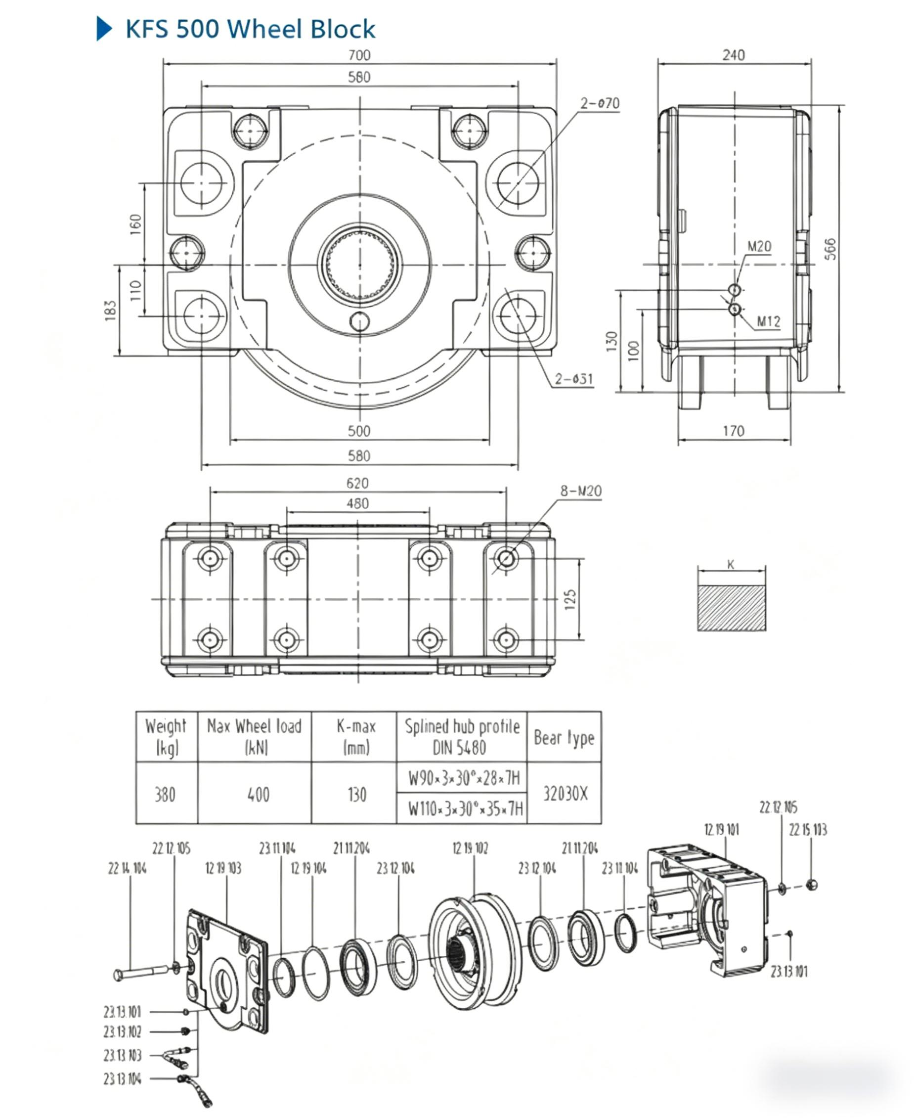
The DRSA 500 wheel block is a modular traveling wheel system consisting of a driving wheel, wheel housing, bearing assembly and drive unit. It can be flexibly configured according to load capacity, rail size and traveling speed, providing reliable, heavy duty and high precision drive performance for industrial applications. Wheel block systems are widely used in cranes, logistics equipment and automated handling systems.

Components of the DRSA Wheel Block System
Drive wheel
Wheel block and support structure
Drive motor and reducer
High precision bearings and sealing components
Rail adaptation components
Design Features of DRSA 500 Wheel Block
Modular design
High load capacity and wear-resistant materials
Low-vibration and low-noise operation
Stable running and precise positioning
Heavy duty steel wheel housing for effective protection of bearing components
Supports various connection types for quick installation and disassembly

Selection Parameter Recommendations
Rated Load
Rail Size / Travel Rail Type
Travel Speed
Operating Environment Conditions
Installation Method
Drive Requirements
Product Selection Reference
Capacity (ton) | Weight (kg) | Diameter (mm) | A1 | B1 | B2 | C1 | H1 | |
DRSA-M 112 | 2.75 | 7.3 | 112 | 190 | 47 | 80 | 96 | 131 |
DRSA-M 125 | 5 | 9.9 | 125 | 220 | 60 | 80 | 98 | 147.5 |
7 | 18.3 | 160 | 275 | 65 | 89 | 110 | 187 | |
DRSA-M 200 | 10 | 35.7 | 200 | 340 | 65 | 101 | 130 | 238 |
DRSA 250 | 16 | 62 | 250 | 385 | 75 | 110 | 150 | 281 |
22 | 117 | 315 | 470 | 90 | 130 | 180 | 349.5 | |
DRSA 400 | 30 | 201 | 400 | 580 | 110 | 155 | 210 | 440 |
DRSA 500 | 40 | 352 | 500 | 700 | 110 | 170 | 240 | 566 |
The DRSA wheel block system is an integrated solution combining travel and drive functions. It features modular design, high load capacity, high reliability and low maintenance requirements. If you are interested in our wheel block system, please contact us to get free customized solution and product quotation.
Tell Us What You Need
Location
No.19 Industry Park, Dongtai, Jiangsu, China
sale@kfqizhongji.com
Contact
+86 (512) 55 000 225
Phone: +86 133 9069 2151
WhatsApp: +86 13390692151